手機:13827297626
電話:13827297626
郵箱:435281082@qq.com
地址:廣東省東莞市樟木頭鎮圩鎮荔苑路7號星耀國際
發布時間:2022-09-27 點此:1826次
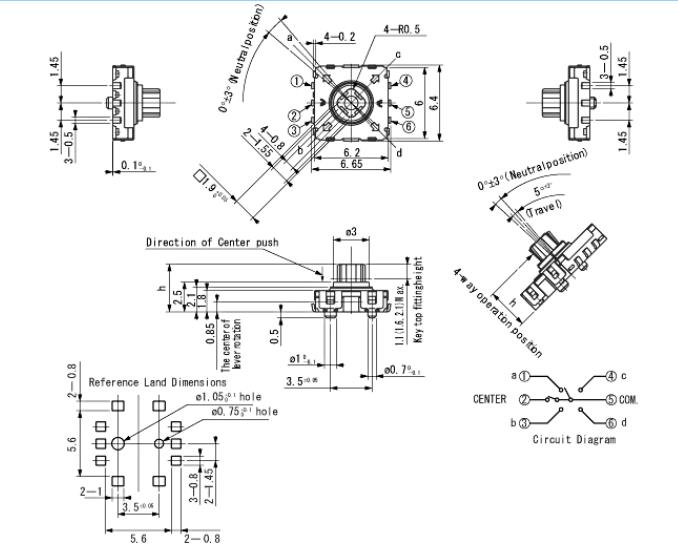
6*6貼片五向開關廠家批發價格

五向開關特性:
1.通過最初的按動操作,第一段為DN,再按一次時,第二段也為DN,通過將第二段設為輕動作力,使用相機快門時減少手振動;
2.適應回流焊接;
3.開關供應為12mm寬壓花貼紙方式
五向開關參數:
額定電流(Rating):50mA.12VDC
絕緣電阻(Insulation resistance):100MQmin.100VDC
介電強度(Dl electric strength):250VACfor1min.
接觸電阻(Contact resistance):500m2max.
操作溫度(Operating temperature range):-25C to+70C°
壽命(Lifetime):20000 Cycles
操作力(Operating force):180±40g/240±80g
行程(Travel):0.25±0.1mm/0.15±0mm

上一篇:鈕子開關參數講解
下一篇:6.5*6.5五向開關
相關推薦