手機:13827297626
電話:13827297626
郵箱:435281082@qq.com
地址:廣東省東莞市樟木頭鎮圩鎮荔苑路7號星耀國際
發布時間:2023-03-11 點此:6449次
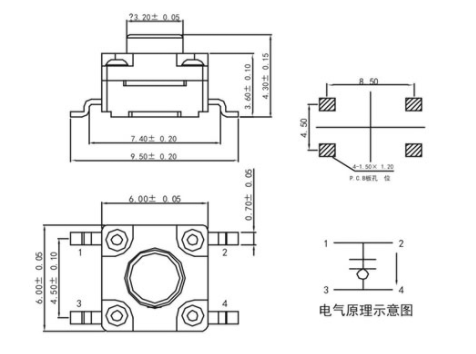
四腳輕觸開關是一種常見的電子元件,被廣泛應用于電子設備中的開關控制板路設計中。它的引腳圖一般為4個接線柱,分別對應著開關的四個觸點。其中兩個是常開觸點,兩個則是常閉觸點。原理圖中,四腳輕觸開關通常表示為矩形圖形,中央為開關本體,四周是對應的引腳接口。四腳輕觸開關的工作原理很簡單,當按下開關時,開關內部的機械結構會動作,使得觸點接通或斷開,從而控制電路的通斷。

四腳輕觸開關引腳圖是指這種開關在外觀上有四個金屬引腳。這種開關通常被用于電路中控制信號強度和方向的控制,它們的設計可以很好地支持鼠標、鍵盤和其它計算機設備的功能。這種開關最常見的應用是使用它們的第一個引腳連接地線,在第二和第三引腳之間連接信號電線,使用第四個引腳提供電源。這種開關在操作中非常靈敏,能夠快速檢測到按下的力度,使其成為控制部分信號的理想選擇。

輕觸開關的接線前判斷
四腳觸摸開關在使用過程中不能自鎖,但用戶只需按一次,四腳輕觸開關的信號就會發生變化。如何連接觸摸開關的四個角是電工的關鍵知識
一是將萬用表調至二極管處
第二,首先測量四個腳,判斷哪個針腳是導通的,哪個針腳是斷的
第三,按下按鈕,測量腳,判斷哪個針腳是導通的,哪個針腳是斷的
第四,開始斷裂,按下導通的腳作為焊接的兩個角。

這種四腳輕觸開關引腳圖的設計非常緊湊,可以在有限的空間中提供高度精確的信號控制。它們的設計還包括一系列的觸發和鎖定機制,以確保在按下的力度達到特定水平時,開關可以保持穩定。這種開關在滑動操作過程中非常平穩,不會產生太多的摩擦和電阻,使得它們在任何需要進行精準控制的場合下都能夠表現出色。

使用這種四腳輕觸開關引腳圖的另一個優點是其可靠性。它們的設計非常堅固,可以承受不同強度的力量,這使得它們成為承載重要信號的動態控制裝置的理想選擇。它們還非常耐用,可以在極端溫度和濕度條件下運行而不會損壞,這使得它們在各種艱苦和極端環境下的廣泛使用成為可能。
四腳輕觸開關廣泛應用于控制臺、便攜式電子設備、家用電器等領域,可有效控制電流的通斷和電器的開關狀態。在電子元器件市場上,四腳輕觸開關的種類繁多,不同的開關具有不同的觸感效果、外形尺寸和耐久性等特點,以滿足用戶的需求。同時,隨著電子技術的不斷發展,四腳輕觸開關也不斷創新和改進,例如采用金屬材質制作,提高了其耐用性和可靠性,使得其在電子產品的開發和制造中的應用更加廣泛。
上一篇:8x8紅頭長柄防水輕觸開關
下一篇:輕觸開關的應用