手機:13827297626
電話:13827297626
郵箱:435281082@qq.com
地址:廣東省東莞市樟木頭鎮圩鎮荔苑路7號星耀國際
發布時間:2023-04-17 點此:1372次
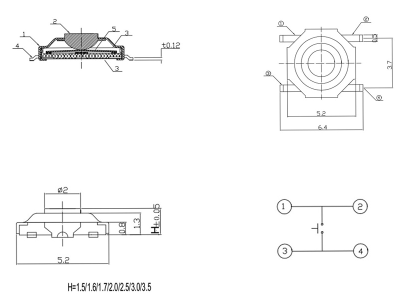
輕觸開關引腳功能及特點
輕觸開關是一種應用廣泛的電子元件,其使用場景包括電池供電的手持設備、控制面板以及指示燈和電路板等細微應用。
在輕觸開關的引腳中,每個引腳承擔著不同的功能,以下我們將深入探討輕觸開關引腳的功能及特點。

1. 引腳1:電源
輕觸開關的引腳一為電源接口,也就是其整個電路的正極。在正常使用中,將接口與正極相連,通過這個接口來實現電路的通電。如果電源接口連接不當,會導致開關無法啟動,因此連接正確的電源接口是一項非常重要的工作。
2. 引腳2:輸入
輕觸開關的引腳二為輸入接口,也就是將要被監測的電路,通常稱為開關的輸出。當我們用手輕輕觸碰輕觸開關時,開關會在進出電流之間切換狀態,這個狀態通常用于傳入一個開關信號,如控制設備的開關狀態等。
3. 引腳3:輸出
輕觸開關的引腳三為輸出接口,需要連接至需要被控制或監測的電路。引腳三在設備中起到非常重要的作用, 當開關開啟時,該引腳會產生關閉的效果,需要注意的是雖然它叫做輸出接口,但實際上輸出的是開關狀態,而不是電流或電壓信號。
4. 引腳4:接地
輕觸開關的引腳四為接地接口,這個電路通常是指電源除了正極之外的部分。在將電源引腳連接至正極的同時,我們還需將接地接口連接到負極,以確保整個電路的正常運作。
5. 引腳5:輔助(少部分輕觸開關有五個腳,大多數是四腳為主)
輕觸開關的引腳五為輔助接口,在一些比較高級的應用場景中起到不同的作用。比如,在需要以更復雜的電路方式連接輕觸開關時,就需要將一些重要的信號引出來。通常,這種連接可能會需要連接到另一些元器件上,比如LED、MFRC522以及樹莓派等。
輕觸開關的引腳功能有待進一步研究,但本篇文章已經將其主要特點和功能討論了一遍。為了確保正確的使用,我們應該每次檢查連接時是否正確連接所有引腳,確保全部的接口都能正常地執行其功能。這樣以來,可以保證我們的設備穩定、安全地運行。
上一篇:4×4輕觸開關應用和維護
下一篇:輕觸開關彈片
相關推薦