手機:13827297626
電話:13827297626
郵箱:435281082@qq.com
地址:廣東省東莞市樟木頭鎮圩鎮荔苑路7號星耀國際
發布時間:2023-04-27 點此:854次
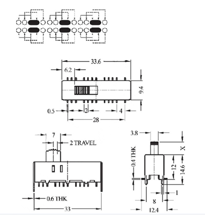
撥動開關6P3T是一種多功能開關,它對于電子產品來說是非常重要的一種元器件。在電路上起著開關、選擇和復用的作用,使用多種不同功能的接口和全部10個插腳,可以連接不同的設備,因此這種開關被廣泛應用于很多領域。下面我們將詳細說明撥動開關6P3T的相關內容。

一、什么是撥動開關6P3T
撥動開關6P3T是一款非常普遍且常見的開關,其名稱中的“6P3T”是指該開關具有6個接口、3個位置、以及一個觸點,換句話說,6P3T開關呈現為一個有6個接口,三個位置的開關。如果在電路中選擇正確,就可以實現多達三種功能。這種開關可以用于將單一的輸入信號切換為三條不同的輸出線路。
二、撥動開關6P3T的優勢
撥動開關6P3T設計的獨特性在于它可以控制三個單獨的電路,可以實現很多設備和系統的控制。在選擇這種開關時,要選擇特定的型號和規格以滿足電子系統的要求。在實際應用中,它可以控制設備的輸出、輸入、選擇、轉換、分配以及音箱的音頻及其他功能。它還具有其它的優勢,比如它很容易安裝在設備上,使用方便,有著更高的耐用性和更長的壽命。
三、撥動開關6P3T的設計與工作原理
開關6P3T通常是由一個塑料外殼和三個獨立的部分組成。每個部分分別帶有兩個輸入線路。當手柄旋轉到不同的位置時,開關的內部不同位置會切換,從而實現電路的切換。這種開關內部帶有多個觸點和相應的連接腳,可以連接很多的設備或線路。使用這種開關可以實現高度定制的電路板設計和無障礙的投入生產。因此它的應用范圍非常廣泛,例如可以使用它控制風扇的轉速、切換輸入音樂信號等。
四、如何正確的使用撥動開關6P3T
撥動開關6P3T的使用非常廣泛,但是如果不正確地操作會造成短路甚至電器起火等危險,因此在使用它時一定要特別注意。首先需要按照正確的接線方式連接開關,確認每個接口的作用、位置和變化。在從一個接口切換到另一個接口時要非常小心, 確保所有連接的線路都處于關閉狀態, 然后再慢慢切換到下一個接口。另外,在使用過程中,需要不斷檢測線路和開關的狀態,確保電路板的準確性,確保電子設備的安全性。
總的來說,撥動開關6P3T是一種非常重要的開關元器件,通過使用它,可以實現多種電子設備和電路的控制。在使用它時,要遵循正確的使用和接線規則,確保電子設備的安全性和長久性。撥動開關6P3T的使用范圍廣泛,但需要注意正確的使用方式。
上一篇:電風扇輕觸開關原理
下一篇:撥動開關6腳使用說明書