手機:13827297626
電話:13827297626
郵箱:435281082@qq.com
地址:廣東省東莞市樟木頭鎮圩鎮荔苑路7號星耀國際
發布時間:2023-08-30 點此:3337次
二腳輕觸開關的工作原理的話是這樣的,其主要是由常開觸點和常閉觸點組合而成。常開觸點的話其最為主要的作用就是在壓力常開的時候能夠有效地進行施壓,這樣可以讓整個電路呈現出一種接通的狀態。而在撤銷的時候就會讓壓力得以撤銷,也就會出現常閉觸點,這個時候整個電路的話就會處于一個閉合的狀態。其工作原理可以說是相當簡單。在整個操作的過程當中所需要掌握的技術性也是非常少的。

1、兩腳輕觸開關是一種電子元件,它的作用是通過接線使電路發生開關,從而控制電路中的電子元件的工作狀態,是電子工程師必備的知識。
2、兩腳輕觸開關的接線方法是將兩腳輕觸開關的兩個端子分別接入電源的正負極,并將另一端接入電路中的電子元件,使電路發生開關,從而控制電子元件的工作狀態。
3、兩腳輕觸開關的接線方法非常簡單,但是要注意,在接線時,兩腳輕觸開關的兩個端子之間要有足夠的距離,以免兩個端子之間發生短路,造成電路故障。
4、在接線兩腳輕觸開關時,還需要注意兩腳輕觸開關的接線方向,一般來說,兩腳輕觸開關的接線方向是從左到右,即從電源的正極開始接線,然后再接入電路中的電子元件,接入電源的負極。
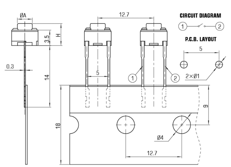
兩腳輕觸開關原理電路圖

輕觸開關2腳4腳區別
普通輕觸開關只有兩個腳導電,另外兩個腳起到一個固定作用,也是為了滿足產品設計需求,從本質上來分析兩腳和四 腳輕觸開關沒有什么區別,功能上都是一樣的。兩腳的輕觸開工容易理解,一正極一個負極,四腳輕觸開關是分為四個腳abcd,Ad或者bc引腳相連為常閉合狀態。無論按鍵是否按下,燈保持常亮狀態。因此,在焊接的過程中需要將bc中任意一個引腳連接至單片機引腳,將ad中任意一個引腳連接至電源的負極。
上一篇:輕觸開關4.5*4.5貼片
下一篇:輕觸開關耐壓多少合適
相關推薦