手機:13827297626
電話:13827297626
郵箱:435281082@qq.com
地址:廣東省東莞市樟木頭鎮圩鎮荔苑路7號星耀國際
發布時間:2023-09-11 點此:3382次
靜音輕觸開關廠家批發價格:0.25~0.35元/個;

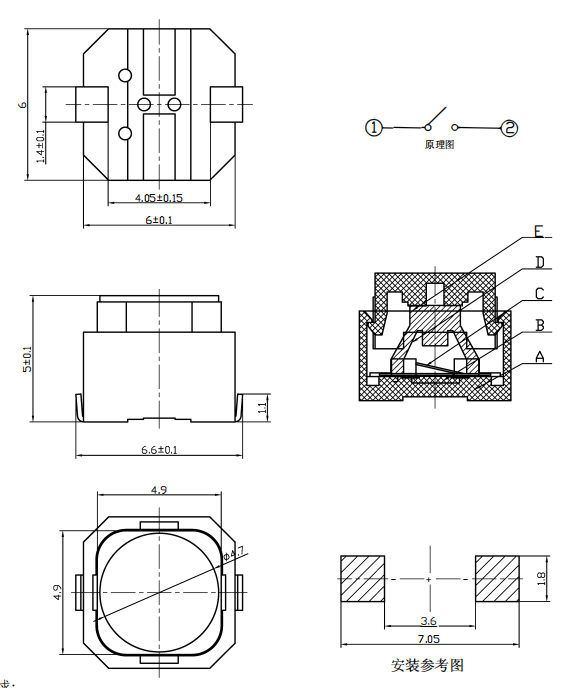
無聲輕觸開關產品性能參數
使用溫度范圍(Temperature):
額定負荷(Rated Load):DC 0.1A 50V(無開關)/DC 24V 0.025A(有開關)
接觸電阻(Contact Resistance);
行程(Stroke): 2mm
耐 壓(Withstand Voltage);
動作力(Actuating Force): 500gfMax
壽 命(Life): 5,000次

靜音輕觸開關技術要求:
1. 塑料件表面光潔無劃傷, 水花, 變形, 影響外觀及性能等缺陷。
2. 額定電流: 50mA. 12V DC, 絕緣電阻100MΩmin,100V DC, 介電強度250V AC for lmin, 接觸電阻200MΩmin。
3. 開關手感明顯,檔位清晰可靠,無卡滯現象,消除外力后,應能快速回位。

在使用的情況下自動焊接
(1)預熱:150℃ ~ 175℃, 40 ~ 80 sec
(2)峰值溫度:260℃ (max)
(3)焊接區溫度:260℃, 1 ~ 4 sec, 2 times (max)
(4)高溫后性能衰變值±20%
相關推薦