手機:13827297626
電話:13827297626
郵箱:435281082@qq.com
地址:廣東省東莞市樟木頭鎮圩鎮荔苑路7號星耀國際
發布時間:2024-01-05 點此:1473次
獲取輕觸開關的接線方式和原理電路圖
輕觸開關是一種常見的電子元件,通常用于控制電路的通斷。它的主要特點是操作簡便、體積小巧、壽命長。輕觸開關的接線方式和原理電路圖如下:
接線方式:
1. 單極單通(SPST):這是最常見的輕觸開關類型,只有一個輸入和一個輸出。當按下開關時,輸出與輸入接通;松開時,輸出與輸入斷開。
2. 單極雙通(SPDT):這種開關有兩個輸入和一個輸出。當按下開關時,一個輸入與輸出接通,另一個輸入與輸出斷開;松開時,兩個輸入都與輸出斷開。
3. 雙極雙通(DPDT):這種開關有兩個輸入和兩個輸出。當按下開關時,一個輸入與一個輸出接通,另一個輸入與另一個輸出斷開;松開時,兩個輸入都與輸出斷開。
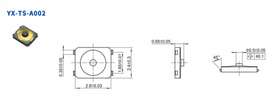
輕觸開關電路安裝圖
以TS-A002為例

此款輕觸開關為四腳,是常見的款式,接線方法是對角對腳接,及1號接通4號如下圖電路圖:

如果需要更多型號的輕觸開關電路圖可以咨詢客服。
上一篇:如何選購合適的微動開關?
下一篇:如何挑選具備良好手感的輕觸開關