手機:13827297626
電話:13827297626
郵箱:435281082@qq.com
地址:廣東省東莞市樟木頭鎮圩鎮荔苑路7號星耀國際
發布時間:2020-03-31 點此:2756次
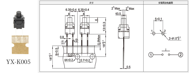
輕觸開關的結構是開關蓋、按鈕柱、反作用彈簧/彈片,底座/電路板組合而成。在輕觸開關安裝的時候,如果是大型自動化機器,最好是把輕觸開關做好后,編帶,然后在安全。

輕觸開關怎么編帶呢?這個是很多商家的疑問,特別是拿到散裝的用戶也想要知道這個是怎么操作的,輕觸開關的編帶封裝大致分為以下幾種:
1、輕觸開關smt貼片封裝

什么是輕觸開關SMT貼片封裝:輕觸開關又叫按鍵開關,它是屬于電子元件中的一種電子開關,較早是叫敏感型開關。SMT貼片封裝是指四腳貼片的輕觸開關加上一條載帶再配上一個吸塑相同尺寸的凹槽把輕觸開關封裝起來叫做SMT貼片封裝
2、散裝人工插件輕觸開關袋子封裝

什么是散裝人工插件輕觸開關?散裝人工插件輕觸開關顧名思義就是使用人工使用電烙鐵焊接的一種輕觸開關一般用袋子封裝,優點:價格包裝費用便宜,缺點是只能手工焊接工作效率低下。
3、輕觸開關DIP編帶封裝:

DIP編帶封裝是指插腳輕觸開關的封裝方式一般是用紙皮封裝,類似于電容電阻用紙制品的載帶把插件叫連在一起,也可以用自動機器生產。
輕觸開關引腳
比較長的才會采用此款包裝方式
編帶封裝輕觸開關
由上可知,輕觸開關的封裝還是很多樣性,更具不同的需求進行封裝處理。