手機:13827297626
電話:13827297626
郵箱:435281082@qq.com
地址:廣東省東莞市樟木頭鎮圩鎮荔苑路7號星耀國際
發布時間:2020-09-11 點此:2489次
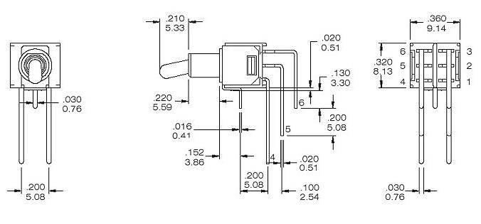
雙排彎腳鈕子開關TS202C4

雙排彎腳鈕子開關材料
外殼:ABS塑料
Body:ABS
手柄:銅鍍鎳
Handle:Copper Plated with Nickel
接觸點:銅鍍銀
TouchPoint:Copper Plated with Silver
端子:銅鍍銀
Connectionend:Copper Plated with Silver
鈕子開關主要技術參數:
額定電壓/電流Voltage/Carrent:250VAC/3A125V 6A
介電強度Voltage Endurance:1500VAC50HZ
絕緣電阻Insulated Resistance:≥100MΩ
接觸電阻Contact Resistance:≤0.02Ω
壽命Life:復位系列≥10000次,無復位系列≥30000次
環境溫度enviroment temperature:-55℃~+85℃
提示:本鈕子開關支持定做,如有特殊需求定做時,請根據您不同的需要,盡量選擇合適您的手柄和端子
鈕子開關結構組成
操作機構:包括鈕子桿、轉軸、傳動臂等,其中鈕子桿通常為細長桿狀,材質有金屬或塑料,用戶通過推動鈕子桿末端,使其在固定位置之間擺動來實現開關操作。
切換機構:由滑動板、擺臂、凸輪、彈簧、滾珠 / 卡位點等組成,主要作用是將操作桿的機械運動轉化為內部觸點的切換動作。
觸點組件:包含動觸點、靜觸點和端子。動觸點一般安裝在移動部件上,靜觸點固定在外殼或基座上,端子用于連接外部導線,通過動觸點與靜觸點的接觸或分離來實現電路的通斷。
外殼:用于提供支撐、絕緣和防護,防止灰塵、濕氣等外界因素對內部元件造成損害。
分類方式
按操作位置分:有二位和三位兩種。三位開關又有某一邊位置不定位等情況。
按連接電路種類分:可分為單極單聯、單極雙聯、雙極單聯、雙極雙聯等多種類型,不同類型的開關可滿足不同電路的控制需求。
按鈕柄種類分:有金屬圓錐鈕柄、塑料圓錐鈕柄、熒光鈕柄、塑套鈕柄、球形鈕柄、扁桿鈕柄、鎖桿鈕柄、波形鈕柄、槳式鈕柄等。
按安裝方式分:有面板安裝、垂直安裝、水平安裝等,其中垂直安裝和水平安裝又有直角型等不同形式,以適應不同的安裝環境和空間要求。
按防護等級分:有防濺式、密封式等,如防濺式鈕子開關通常采用‘O’環密封,可防止水滴等液體進入開關內部。
上一篇:MSK-12D88撥動開關
下一篇:HDMI-D-5
相關推薦