手機:13827297626
電話:13827297626
郵箱:435281082@qq.com
地址:廣東省東莞市樟木頭鎮圩鎮荔苑路7號星耀國際
發布時間:2019-10-29 點此:6354次
穎鑫電子廠家USB插座廠家批發價格:0.1~1.5元/個;
常見的USB有哪幾種類型:
(1)USB1.0(已經淘汰)
USB 1.0是在1996年出現的,速度只有1.5Mb/s(位每秒); 1998年升級為USB 1.1,速度也大大提升到12Mb/s,在部分舊設備上還能看到這種標準的接口。USB1.1是較為普遍的USB規范,其高速方式的傳輸速率為12Mbps,低速方式的傳輸速率為1.5Mbps(b是Bit的意思),b/s 一般表示位傳輸速度,bps 表示位傳輸速率,數值上相等。B/s與b/s,BPS(字節每秒)與bps(位每秒)不能混淆。1MB/s(兆字節/秒)=8Mbps(兆位/秒),12Mbps=1.5MB/s,大部分MP3為此類接口類型。
(2)USB2.0(過去幾年常用產品)
它的傳輸速率達到了480Mbps,折算為MB為60MB/s,足以滿足大多數外設的速率要求。USB 2.0中的“增強主機控制器接口”(EHCI)定義了一個與USB 1.1相兼容的架構。它可以用USB 2.0的驅動程序驅動USB 1.1設備。也就是說,所有支持USB 1.1的設備都可以直接在USB 2.0的接口上使用而不必擔心兼容性問題,而且像USB 線、插頭等等附件也都可以直接使用。
(3)USB3.0
由Intel、微軟、惠普、德州儀器、NEC、ST-NXP等業界巨頭組成的USB 3.0Promoter Group宣布,該組織負責制定的新一代USB 3.0標準已經正式完成并公開發布。USB 3.0的理論速度為5.0Gb/s,其實只能達到理論值的5成,那也是接近于USB 2.0的10倍了。USB3.0的物理層采用8b/10b編碼方式,這樣算下來的理論速度也就4Gb/s,實際速度還要扣除協議開銷,在4Gb/s基礎上要再少點。可廣泛用于PC外圍設備和消費電子產品。
(4)USB3.1
USB 3.1 Gen2是最新的USB規范,該規范由英特爾等公司發起。數據傳輸速度提升可至速度10Gbps。與USB 3.0(即USB 3.1 Gen1)技術相比,新USB技術使用一個更高效的數據編碼系統,并提供一倍以上的有效數據吞吐率。它完全向下兼容現有的USB連接器與線纜。
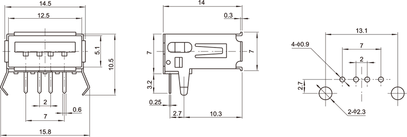
白色AF前腳卷邊系列6.8L=10mm母座

藍色AF前腳卷邊6.8L=10mm母座

綠色AF前腳卷邊6.3L=10mm母座

黑色AF前腳卷邊6.8L=10mm母座



現在在很多墻壁上用的開關插座面板,也開始了融入usb插座,這樣在手機需要充電的時候,也可以很方便的進行充電,因為usb插頭基本都是14mm的寬度,所以很便捷,很多可以同用,同時microusb這類插口線也是通過usb2.0線充電,所以會很方便。
USB接口接線圖

Mini USB引腳的定義

usb插座這個電子元器件,除了用在充電器等電源提供設備上,現在也在不少家用電源面板上面添加了USB接口充電,如公牛品牌的新面板都有帶這種插口。比較常見的是一個USB2.0和一個USB3.0,方便多種數據線適配。那購買這種智能面板應該如何安裝呢,帶USB插座面板安裝方法如下:在三孔背后有三個接線孔,每個接線孔標有L(火線)、N(零線)以及另外一個符號E(就像一把小傘的),這是接地線。把線頭處大約3厘米左右,用老虎鉗把線的 絕緣部分去掉,使銅線漏出來,兩個線頭擰在一起,從孔中穿過,然后把螺絲擰上,線頭如果有多與的部分可以 用剪剪去。按照正常情況,火線,一般是紅色的,零線是黃色,地線是黑色的。最好在接線之前用測電筆進行測試一下。接線原則:左邊接零線,右邊接火線,中間的是用來接地的。接線的時候首先是從三孔插座的火線和零線各引出一條線到兩孔的火線和零線上,接線之前接好之后,把電源線的火線,零線以及底線分別和相對應的地方接在一起。接線完成之后,把外框上上,擰上螺絲就可以了。
而在我們常見的手機上,比如小米和華為手機都用上了USB3.0協議的充電口,在電器的設計上,type-c更小的占用空間和可以正反插的優勢,使得電子設備有更多的多功能選擇,特別是家居裝修的電路插排的面板上可以讓手機不需要充電頭就可以直接充電,部分高端的家居電器,還支持usb3.0協議的無線充電功能。如果小白用戶要省心的話,可以直接選擇大品牌生產的,在材質和功能以及安全性能上都有保障。
上一篇:單圈電位器
下一篇:通用防水搖頭鈕子開關規格參數
相關推薦