手機:13827297626
電話:13827297626
郵箱:435281082@qq.com
地址:廣東省東莞市樟木頭鎮圩鎮荔苑路7號星耀國際
發布時間:2019-11-08 點此:9949次
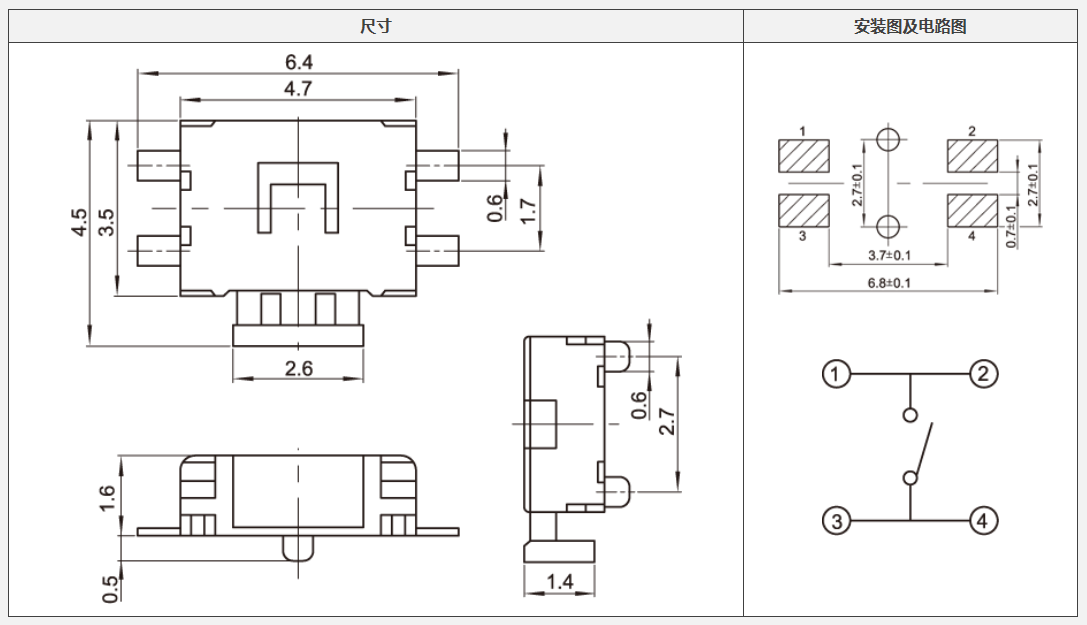
3*4側按輕觸開關廠家批發價格:0.01~0.05元/個;
小烏龜型的側按輕觸開關,多用于小型精密儀器,比如機器人,智能掃地機,鼠標就鍵盤等設備上。
1.工作溫度范圍:-30℃to+85℃;
2.額定電流:50mA.12V DC;
3.絕緣電阻:100MΩ min.100V DC;
4.介電強度: 250V AC for 1 min;
5.接觸電阻:100m Ω max.






鹽霧試驗
在以下設定條件下進行測量:(1)溫度:35℃±2℃;(2)鹽溶液濃度:5±1%(質量百分比);(3)時間:12h±1h 實驗后的鹽沉積物后水沖掉金屬件上沒有腐蝕斑點;
側功能鍵輕觸開關的二種形式參數是同樣的,主要參數包括使用期、應用幅度、耐高溫、耐環境濕度等乃至應用彈簧片能夠是一樣的,他們僅僅表面一部分不一樣,在應用中都是一樣的,倘若二種電源開關裝產成品上實際操作,大部分是分不出去哪種是帶支架,哪種是帶精準定位柱。
不論是帶支架還是帶精準定位柱,他們都是以便快又穩的固定不動產成品上,側功能鍵輕觸開關有別于其他輕觸開關,它只能2個腳導電性沒有大量的腳來固定不動,其他輕觸開關都是有四個腳乃至大量,那麼多腳中也只能2個導電性,其他全是具有固定不動的功效。
側功能鍵輕觸開關在組裝層面人工是沒辦法組裝的,和貼片式輕觸開關一樣,必須借助設備組裝,那樣迅速又精確,人工組裝非常容易在電焊焊接的那時候損壞。由于側按輕觸開關腳位較為短也要支架或是精準定位柱與商品居中,并且電源開關電焊焊接溫度就那么高,久了會損壞,溫度高了也會損壞,因此在組裝中,一般都應用設備,非常少用人工來組裝,可是軟件式輕觸開關許多全是用人工組裝。
常見問題:1、手感;2、附著力;3、蓋子脫落;4、輕按不導通;5、電阻值偏高;6、過爐后按不動。
相關推薦