手機:13827297626
電話:13827297626
郵箱:435281082@qq.com
地址:廣東省東莞市樟木頭鎮圩鎮荔苑路7號星耀國際
發布時間:2019-07-29 點此:54331次
按鈕開關,可能是電工電路里面最簡單的元器件了,但是它卻控制著整個控制電路的命脈,所以課本里把它稱作“主令開關”。作為新手,全面了解各種按鈕開關,巧妙靈活的應用,可以讓我們事倍功半。
1.制造材質的選擇
現在市場上我們能買的到的耐高溫阻燃的塑料材質和不銹鋼金屬外殼兩種,大家可以根據自己的實際需要進行選購。不銹鋼外殼的外形如圖1,控制觸點(觸腳)如圖2


因為我手頭上沒有這種不銹鋼外殼的,所以今天主要跟大家分享的是塑料外殼的按鈕開關的一些基本信息和在電路中的應用。
①按鈕開關按操作結構(款式)來分可以分為自鎖型和自復位型兩種。(有些帶燈有些不帶燈,建議買帶燈的,可以少開一個安裝孔)
通常來說我們都是用接觸器的常開點來做電動機控制線路的自鎖控制,它的優點是接觸器的電磁線圈得電則吸合斷電則釋放,一旦電路中出現故障,便會立即斷電釋放自我保護。所以自鎖型的按鈕多為急停按鈕,控制電動機啟停的常用自復位型。

②按觸點分,有一常開型,一常閉型,兩常開,兩常閉,復合按鈕一開一閉,選購和安裝的時候靈活選擇。
③按鈕的結構組成

④按鈕的拆裝如圖6,拆的時候按下卡扣,裝的時候順著卡槽插入即可。
⑤按鈕的接線

帶燈按鈕接線圖

控制線都是一進一出,常開按鈕,綠色,觸點(11.12),停止按鈕,紅色,觸點(23.24)。
按鈕各部位名稱,我們在購買的時候一定要注意安裝尺寸,塑料外殼的開孔直徑一般為22毫米,不銹鋼外殼的規格就比較多。

另外,按鈕也有不同的顏色

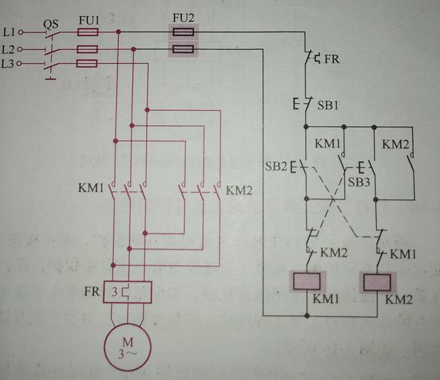
平頭按鈕開關在電路中可以利用它的常閉點來進行互鎖,典型的有按鈕互鎖控制電動機的正反轉。

還有接觸器和按鈕雙重連鎖控制電動機正反轉。

對于我們常見的市面上的按鈕開關有:
(1)小型按鍵開關有PB-22E06類型

此類開關多用于需要行程按鍵比較短且小型的設備工具上面,比如一些超薄的液晶電視的開關按鈕,因為行程短,手感好,也有部分用于鼠標鍵盤的自定義鍵。
(2)發光按鈕開關

這款產品生產有些是基于原來的輕觸開關進行技術改造,如6*6的輕觸開關把原來的pvc按鈕改造成帶有發光指示燈的開關,主要特點是體積小,孔徑小,多用于電腦主機的開機鍵和斷路器上的調試按鍵,大型設備的特殊功能的提示鍵,設計美觀,應用廣泛。
(3)自動復位的按鈕開關

這類開關的用途更加廣泛,多用于大型設備的啟動按鈕開關,部分也做急停開關,應對不同使用環境,還有防爆防水等功能,根據應用的不同設備要求,有多種系列可以選擇。我們常見的自動工業門旁邊的電箱上開關門按鍵都是這種按鍵開關,因為機械原理也比較簡單,維修也很簡單。
關于這類產品的價格,小型的基本在1元以下,大點的大概在3元左右,如果批發和供應廠家購買則會更便宜,同時質量也有一定的保證。關于這個產品的功能性分類,我們以原裝正品綠色1CO平頭按鈕施耐德按鈕開關為例子:
(1)開啟式:適用于嵌裝固定在開關板、控制柜或控制臺的面板上,代號為K。
(2)保護式:帶保護外殼,可以防止內部的按鈕零件受機械損傷或人觸及帶電部分,代號為H。
(3)防水式:帶密封的外殼,可防止雨水侵入,代號為S。
(4)防腐式:能防止化工腐蝕性氣體的侵入,代號為F。
(5)防爆式:能用于含有爆炸性氣體與塵埃的地方而不引起傳爆,如煤礦等場所,代號為B。
(6)旋鈕式:用手把旋轉操作觸點,有通斷兩個位置,一般為面板安裝式,代號為X。
(7)鑰匙式:用鑰匙插入旋轉進行操作,可防止誤操作或供專人操作,代號為Y。
(8)緊急式:有紅色大蘑菇鈕頭突出于外,作緊急時切斷電源用,代號為J或M。
(9)自持按鈕:按鈕內裝有自持用電磁機構,主要用于發電廠、變電站或帶電流試驗設備中,操作人員互通信號及發出指令等,一般為面板操作,代號為Z。
(10)帶燈按鈕:按鈕內裝有信號燈,除用于發布操作命令外,兼作信號指示,多用于控制柜、控制臺的面板上,代號為D。
(11)組合式:多個按鈕組合,代號為E。
(12)聯鎖式:多個觸點互相聯鎖,代號為C。
(13)按用途和結構分類:常開按鈕、常閉按鈕、復合按鈕
穎鑫電子科技有限公司,不僅為廣東省各大高新企業提供不同觸頭的按鍵開關產品,也提供定制產品的設計服務支持。按鈕開關除了以上提到的那些用處,也很多用在汽車停車設備上,常見的有商用汽車車庫門的設置急停和啟動關閉上。小型款的有些用于游戲手柄或者游戲廳街機的控制面板上,同時上面會印刷不同的圖標標簽做為不同操作設置的識別,這種游戲按鍵的使用壽命大多在10萬次以上,在前幾年這種開關和游戲街機的交互技術還是很熱門。
上一篇:按鈕開關電氣基礎知識
下一篇:插座開關選購技巧
相關推薦