手機:13827297626
電話:13827297626
郵箱:435281082@qq.com
地址:廣東省東莞市樟木頭鎮圩鎮荔苑路7號星耀國際
發布時間:2023-03-06 點此:2155次
貼片式SMT微型振動傳感器
本產品為機械式的震動傳感元件,產品在任何方位角度時處于ON或者OFF的狀態,當產品震動時,內部件抖動,產生ON/OFF交替的脈沖信號,從而觸發電路。
技術參數
電壓:<6V:
耐溫:Operating -40℃—80℃
電流:<20mA
端子拉力:500gf for 1 minute
導通時間:約2ms
鹽霧測試:95% RH, 40℃ for 24 hours
閉路電阻:<30 Ω
使用壽命:50,000 hours
絕緣電阻:>10 MΩ

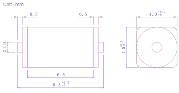
貼片式SMT微型振動傳感器尺寸圖

貼片式SMT微型振動傳感器角度觸發圖

上一篇:隔離開關和斷路器區別
下一篇:隔離開關的主要作用
相關推薦