手機:13827297626
電話:13827297626
郵箱:435281082@qq.com
地址:廣東省東莞市樟木頭鎮圩鎮荔苑路7號星耀國際
發布時間:2023-04-15 點此:2809次
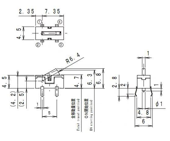
SW1開關(輕觸開關)說明書
SW1開關,也稱為輕觸開關,是一種常見的電子元器件,廣泛應用于各種電子設備中。本文將詳細介紹SW1開關的結構、工作原理、使用注意事項等方面的知識,幫助讀者更好地了解和使用SW1開關。

一、SW1開關的結構
SW1開關的結構較為簡單,通常由兩部分組成:外殼和內部電氣元件。
1. 外殼
SW1開關的外殼通常采用塑料材質制成,具有較高的機械強度和耐腐蝕性。外殼的形狀和大小可以根據不同的應用需求進行設計和制造,常見的形狀有圓形、方形、長方形等。外殼上通常有一些固定孔、活動孔和凹槽等,方便SW1開關與其他器件進行連接和固定。
2. 內部電氣元件
SW1開關的內部實際上是由多個電氣元件組成的,包括觸點、彈簧、固定板等。這些元件通常由金屬材質制成,能夠承受一定的壓力和摩擦力,且具有較好的導電性能。其中,觸點是SW1開關的核心組件,負責實現開關的通斷控制。SW1開關的觸點通常有2個或3個,分別代表常開觸點和常閉觸點。同時,SW1開關的觸點的質量也會直接影響其使用壽命和穩定性。

二、SW1開關的工作原理
SW1開關的工作原理比較簡單,在電路中起到開關的作用。在正常情況下,SW1開關的觸點處于關閉狀態,通電后電流可以順暢通過。當按下SW1開關后,觸點會短暫斷開,隨后又會迅速恢復到原來的狀態,這就實現了電路的斷開和閉合。
SW1開關的工作原理主要是通過彈簧受力使得觸點的狀態發生改變。很多SW1開關可以設置彈簧強度,以滿足不同應用的需求。觸發SW1開關還可以通過其它方式觸發,例如光、聲等。
三、SW1開關的使用注意事項
在使用SW1開關的過程中,有些注意事項需要注意,以保證SW1開關的穩定運行和使用壽命。
1. 應注意SW1開關的使用環境,避免暴露在高溫、潮濕、腐蝕等惡劣的環境中。
2. 使用SW1開關時,需要注意開關的額定電壓和額定電流,不可超過額定電壓和電流范圍。否則會對SW1開關的正常使用造成損害。
3. 在安裝和使用SW1開關時,需要注意接線的正確性。如果接線錯誤,容易造成電路故障,甚至引起火災等安全事故。
4. 需要使用SW1開關時,要先查看其外觀是否有損壞,如有損壞需更換后再使用。
5. 如果需要對SW1開關進行更換或維修,需要斷開開關的電源,并按照SW1開關使用說明書進行操作。
總之,SW1開關是一種非常重要的電子元器件,廣泛應用于各種電子設備中。深入了解和熟練掌握其結構、工作原理和使用注意事項,有助于提高電子設備的使用效率和穩定性。